极致硬核!爆肝6个月手搓Intel 486主板:Linux、Windows全跑通
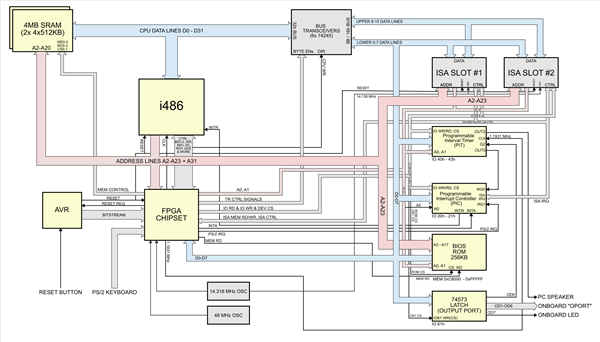
本站1月27日消息,程序员兼电子爱好者Maniek86历时近6个月,从底层原理图画起,独立设计PCB并实现芯片组逻辑,亲手打造出一块功能完整的Intel 486架构主板M8SBC-486。
这块主板不仅能稳定运行Linux、MS-DOS、FreeDOS等操作系统,还能流畅运行《毁灭战士》《德军总部3D》等经典游戏,甚至在特定环境下成功启动Windows 3.1。

Maniek86强调,这块主板并非基于旧设计改良,而是完全从零开始设计,包括芯片逻辑、引脚时序和BIOS代码。
这意味着他需要深入理解486 CPU的总线协议、时钟逻辑、中断控制和存储读写时序等底层细节。
在个人博客中,他详细记录了从焊接电阻、电容等小型元件,到攻克144引脚FPGA芯片和ATMega128微控制器等核心部件的焊接过程,甚至为PGA插槽设计了切割拼接的DIP插座。

测试阶段自然也充满了挑战,Maniek86遇到了SRAM元件贴标倒置导致的短路、芯片封装混淆、中断控制器缺失等问题,但他通过临时添加下拉电阻、自制适配器等方法逐一解决了这些难题。
最终,在示波器的辅助下,他成功让486 CPU在自制主板上运行起无限循环程序,并逐步实现了ISA总线功能,完成了从硬件焊接到基础功能验证的全流程突破。
目前,Maniek86已将该项目的原理图、PCB设计文件及BIOS源代码全部在GitHub开源,他坦言这块板子仍有提升空间,未来计划进一步完善ISA扩展和PC兼容性。

推荐系统
雨林木风 winxp下载 纯净版 永久激活 winxp ghost系统 sp3 系统下载
系统大小:0MB系统类型:WinXP雨林木风在系统方面技术积累雄厚深耕多年,打造了国内重装系统行业知名品牌,雨林木风WindowsXP其系统口碑得到许多人认可,积累了广大的用户群体,是一款稳定流畅的系统,雨林木风 winxp下载 纯净版 永久激活 winxp ghost系统 sp3 系统下载,有需要的朋友速度下载吧。
系统等级:进入下载 >萝卜家园win7纯净版 ghost系统下载 x64 联想电脑专用
系统大小:0MB系统类型:Win7萝卜家园win7纯净版是款非常纯净的win7系统,此版本优化更新了大量的驱动,帮助用户们进行舒适的使用,更加的适合家庭办公的使用,方便用户,有需要的用户们快来下载安装吧。
系统等级:进入下载 >雨林木风xp系统 xp系统纯净版 winXP ghost xp sp3 纯净版系统下载
系统大小:1.01GB系统类型:WinXP雨林木风xp系统 xp系统纯净版 winXP ghost xp sp3 纯净版系统下载,雨林木风WinXP系统技术积累雄厚深耕多年,采用了新的系统功能和硬件驱动,可以更好的发挥系统的性能,优化了系统、驱动对硬件的加速,加固了系统安全策略,运行环境安全可靠稳定。
系统等级:进入下载 >萝卜家园win10企业版 免激活密钥 激活工具 V2023 X64位系统下载
系统大小:0MB系统类型:Win10萝卜家园在系统方面技术积累雄厚深耕多年,打造了国内重装系统行业的萝卜家园品牌,(win10企业版,win10 ghost,win10镜像),萝卜家园win10企业版 免激活密钥 激活工具 ghost镜像 X64位系统下载,其系统口碑得到许多人认可,积累了广大的用户群体,萝卜家园win10纯净版是一款稳定流畅的系统,一直以来都以用户为中心,是由萝卜家园win10团队推出的萝卜家园
系统等级:进入下载 >萝卜家园windows10游戏版 win10游戏专业版 V2023 X64位系统下载
系统大小:0MB系统类型:Win10萝卜家园windows10游戏版 win10游戏专业版 ghost X64位 系统下载,萝卜家园在系统方面技术积累雄厚深耕多年,打造了国内重装系统行业的萝卜家园品牌,其系统口碑得到许多人认可,积累了广大的用户群体,萝卜家园win10纯净版是一款稳定流畅的系统,一直以来都以用户为中心,是由萝卜家园win10团队推出的萝卜家园win10国内镜像版,基于国内用户的习惯,做
系统等级:进入下载 >windows11下载 萝卜家园win11专业版 X64位 V2023官网下载
系统大小:0MB系统类型:Win11萝卜家园在系统方面技术积累雄厚深耕多年,windows11下载 萝卜家园win11专业版 X64位 官网正式版可以更好的发挥系统的性能,优化了系统、驱动对硬件的加速,使得软件在WINDOWS11系统中运行得更加流畅,加固了系统安全策略,WINDOWS11系统在家用办公上跑分表现都是非常优秀,完美的兼容各种硬件和软件,运行环境安全可靠稳定。
系统等级:进入下载 >
相关文章
- 独家为微软最新AI芯片供应HBM SK海力士股价再创历史新高
- Windows 7、Windows Vista回来了!Modder重新制作ISO镜像提供下载
- Windows 10扩展支持仅剩8个月:近半数用户仍死守不升Win11!
- 微信宣布救命短信更新 覆盖广州等更多城市
- 全面AI化!腾讯搜狗输入法20.0来了:能一键关闭广告了 可惜不是PC端
- 腾讯搜狗输入法20.0来了:口语AI润色 一通乱说也能直发
- 你中招了吗 Windows 11大更新让电脑变砖!微软确认翻车:目前尚无修复方案
- 微软发布第二代AI芯片Maia 200 希望减少对英伟达依赖
- 鸿蒙微信8.0.15.16版开启邀测:蓝牙手表版微信来了!
- 全国首例生成式AI幻觉引发侵权案宣判:平台不存在过错
- 打破国外垄断!国产仿真软件NESIM-A发布 国产EDA重要里程碑
- 苹果挤爆牙膏!Siri即将脱胎换骨
- 微软到底怎么了!Windows 11更新后电脑无法启动:越打补丁 问题越来越多
- Curl终结漏洞悬赏计划:不堪忍受大量低质AI生成报告!
热门系统
推荐软件
推荐应用
推荐游戏
热门文章
常用系统
- 1Windows7新电脑加强版下载 深度技术旗舰版 x64位免激活下载 v2023
- 2Windows7最新家庭版下载 雨林木风永久免费 x64位下载 ghost镜像
- 3萝卜家园windows11旗舰版 Ghost iso镜像 X64位 V2022.07下载
- 4windows11最新专业版下载 番茄花园 iso ghost镜像系统下载 v2023
- 5Windows7经典珍藏版下载 番茄花园 x64位旗舰版下载 笔记本专用
- 6外星人系统x64位典藏版 win10旗舰版下载 GHOST镜像 联想笔记本专用下载
- 7Windows10家庭版下载 雨林木风x64位系统 自动激活密钥 GHOST镜像下载
- 8番茄花园x86家庭版 官网镜像下载 win7教育版 无需密钥激活下载
- 9【精简高效】Win10 21H2 32位专业精简版镜像下载




















